DC-DC转换器基本理论
蓝粤网旗下网站
service@yuetol.com
DC-DC转换器是利用电感和电容作为储能元件,通过控制开关管的占空比来实现输入到输出的能量转换。按照转换器完成的功能,可以分为降压型转换器和升压型转换器两个基本类型。当DC-DC稳态工作时,按照电感电流是否连续,可以将转换器的工作模式分为:连续导通模式(CCM)、临界导通模式和不连续导通模式(DCM)。三种工作模式对应的电感电流分别如图1.1所示:连续导通模式中电感电流的流动是连续的;不连续导通模式中,电感电流在一段时间间隔内为零;临界导通模式是两种工作模式的分界点。下面分别将降压型和升压型DC-DC转换器的工作原理进行详细说明,以方便后续章节进行讨论。
图1.1DC-DC转换器三种工作模式下电感电流波形
降压型DC-DC转换器工作原理
1、连续工作模式
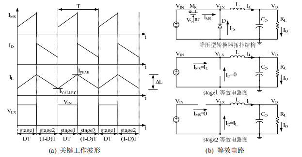
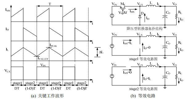
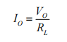
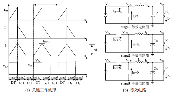
降压型DC-DC转换器的输出电压一般低于输入电压,故称之为“降压型”,在占空比为100%的特殊工作条件下,可以实现输出电压等于输入电压。其拓扑结构以及在连续工作模式下每个阶段的等效电路图和对应的工作波形如图1.2所示。在降压型DC-DC拓扑结构中,MS为开关管,D为续流二极管,L为储能电感,CO为输出滤波电容。为了简化分析,假设上述均为理想器件。即开关管可以瞬间导通和关断,且导通压降及关断电流均为零;续流二极管的正向导通压降及反向截止电流均为零;忽略电感及电容的寄生效应。在连续导通模式下,降压型DC-DC转换器一个工作周期可分为两个工作阶段:
阶段一:开关管MS在时间DT内导通,同时续流二极管D截止,因此ID=0,开关管中流过的电流等于电感电流IL,且电感电流的上升斜率为:
(1-1)
其中VIN和VO分别为输入和输出电压,L为储能电感的电感值。在该阶段中,电感电流逐渐增加,并将电流的能量的转化为磁场能量储存在电感中。当电感电流小于输出电流时,电容向负载提供能量,同时输出电压逐渐下降。当电感电流逐渐增大到大于负载电流时,电感电流提供负载电流的同时,给电容充电。
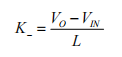
阶段二:续流二极管D在时间(1-D)T内导通进行续流,同时开关管MS关断,因此IMS=0。续流二极管中流过的电流等于电感电流,此时由于电感两端的电压极性发生翻转,故电感电流逐渐下降,其下降斜率为:
(1-2)
在该阶段中,电感中存储的磁能逐渐衰减并转化为电能。当电感电流大于输出电流时,电感电流提供负载电流的同时,给电容充电,同时输出电压上升。当电感电流逐渐减小到小于负载电流时,电感和输出电容一起向负载提供能量,同时输出电压逐渐下降。
图1.2降压型DC-DC转换器连续工作模式下等效电路及关键工作波形
由以上分析可知,在阶段一,电感电流的增加量为:
(1-3)
在阶段二,电感电流的减小量为:
(1-4)
稳态工作时,一个周期内电感电流的增加量应等于减小量,系统才能达到平衡,令式(1-3)与(1-4)相等,可得:
(1-5)
由式(1-5)可知,在输入电压确定的条件下,改变开关管工作的占空比,便可以输出电压进行调节。同时,由于在一个工作周期内,电容损耗的能量为零,且在整个周期内,电感电流为负载电流和输出电容提供能量,故有负载电流等于电感电流在一个周期内的平均值:
(1-6)
根据能量守恒定理可知:转换器的输入功率等于输出功率并结合式(1-5)可知:
(1-7)
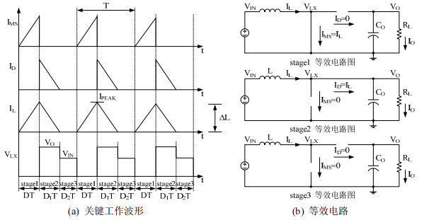
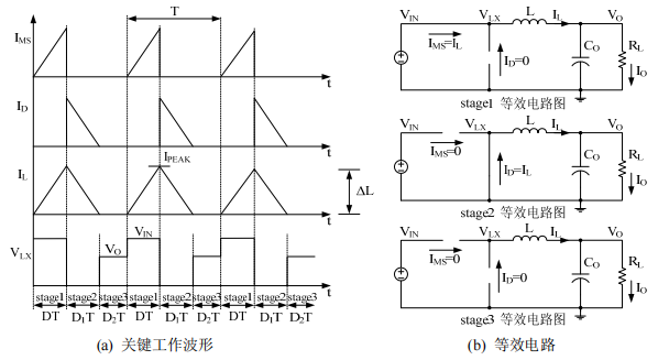
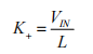
2、非连续导通模式
降压型DC-DC转换器在非连续导通模式下可以分为三个工作阶段,每个工作阶段的等效电路图以及工作波形如图1.3所示:
图1.3降压型DC-DC转换器非连续导通模式下等效电路及关键工作波形
阶段一:开关管MS在时间DT内导通,同时续流二极管D截止,因此ID=0,开关管中流过的电流等于电感电流IL,且电感电流上升斜率与式(1-1)相同,电感电流从零开始上升,电感中的能量逐渐增加。
阶段二:续流二极管D在时间D1T内导通进行续流,同时开关管MS关断,因此IMS=0,续流二极管中流过的电流等于电感电流,此时由于电感两端的电压极性发生翻转,故电感电流逐渐下降,其下降斜率与式(1-2)相同,电感中存储的磁场能量逐渐转化为电能提供给负载。在第二阶段结束时,电感电流衰减为零。
阶段三:由于续流二极管正向导通反相截止的特性,当电感电流降为零以后,二极管反相截止。故在该阶段,开关管MS关断,续流二极管截止,因此IMS=0,ID=0,该阶段持续时间为D2T。
根据以上分析可知一个周期内电感电流的增量仍然可以用式(1-3)表示,而一个周期内电感电流减小量可以表示为:
(1-8)
令式(1-3)与(1-8)相等,可得:
(1-9)
同时根据能量守恒定理并结合式(1-9)可知:
(1-10)
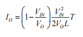
将式(1-8)代入式(1-6)可得:
(1-11)
由于
(1-12)
将式(1-11)及(1-12)代入式(1-9)可得输出电压的表达式:
(1-13)
从上式可知:在已知输入电压的条件下,转换器工作在不连续导通模式时的输出电压不仅与开关管的占空比信息有关,还与电感值以及负载轻重和工作周期长短有关。
3、临界导通模式
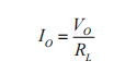
由图1.1可知,临界导通模式是指在每个工作周期内,电感电流的平均值刚好等于峰值电流的一半。由于电感电流的平均值与负载电流相等,故当转换器工作在临界导通模式时,输出电流应满足下式:
(1-14)
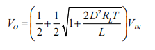
升压型DC-DC转换器工作原理
升压型DC-DC转换器的输出电压一般高于输入电压,故称之为“升压型”。其拓扑结构以及在连续工作模式下每个阶段的等效电路图和对应的工作波形如图1.4所示。在升压型转换器拓扑结构中,MS为开关管,D为续流二极管,L为储能电感,CO为输出滤波电容。为了简化分析,假设上述均为理想器件。当升压型DC-DC转换器工作在连续导通模式时,其在一个工作周期内具有两个工作阶段:
阶段一:开关管MS在时间DT内导通,同时续流二极管D截止,因此ID=0,开关管中流过的电流等于电感电流,且电感电流的上升斜率为:
(1-15)
其中VIN为输入电压,L为储能电感的电感值。在该阶段,电感电流逐渐增加,并将电流的能量转化为磁场能量储存在电感中。而输出电流完全由输出电容提供,输出电压逐渐下降。
图1.4升压型DC-DC转换器连续工作模式下等效电路及关键工作波形
阶段二:续流二极管D在时间(1-D)T内导通进行续流,同时开关管MS关断,因此IMS=0,续流二极管中流过的电流等于电感电流,此时由于电感两端的电压极性发生翻转,故电感电流逐渐下降,其下降斜率为:
(1-16)
在该阶段,电感中存储的磁能逐渐衰减并转化为电能,当电感电流大于输出电流时,电感电流提供负载电流的同时,给电容充电,同时输出电压上升。当电感电流逐渐减小到小于负载电流时,电感和输出电容一起向负载提供能量,同时输出电压逐渐下降。
由以上分析可知,在第一阶段,电感电流的增加量为:
(1-17)
在第二阶段,电感电流的减小量为:
(1-18)
稳态工作时,一个周期内电感电流的增加量与减小量相等,令式(1-17)与(1-18)相等,可得:
(1-19)
故在输入电压确定的条件下,改变开关管工作的占空比,便可对输出电压进行调节。同时根据能量守恒定律以及式(1-19)可得输入输出电流的关系式:
(1-20)
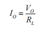
升压型DC-DC转换器在非连续导通模式下可以分为三个工作阶段,每个工作阶段的等效电路图以及工作波形如图1.5所示:
图1.5升压型DC-DC转换器非连续工作模式下等效电路及关键工作波形
阶段一:开关管MS在时间DT内导通,同时续流二极管D截止,因此ID=0,开关管中流过的电流等于电感电流,电感电流上升斜率与式(1-15)相同,电流从零开始上升,电感中的能量逐渐增加。输出电流由输出电容提供,同时输出电压逐渐下降。
阶段二:续流二极管D在时间D1T内导通进行续流,同时开关管MS关断,因此IMS=0,续流二极管中流过的电流等于电感电流,此时由于电感两端的电压极性发生翻转,故电感电流逐渐下降,其下降斜率与式(1-16)相同,电感中存储的磁场能量逐渐转化为电能提供给负载。在第二阶段结束时,电感电流降为零。
阶段三:由于续流二极管正向导通反相截止的特性,当电感电流降为零以后,二极管反相截止,故在该阶段,开关管MS关断,续流二极管截止,此时IMS=ID=0,负载电流由输出电容提供,输出电压下降,该阶段持续时间为D2T。
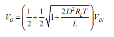
根据以上分析可知一个周期内电感电流的增量仍然可以用式(1-17)表示,同时,一个周期内电感电流减小量为:
(1-21)
令式(1-17)与(1-21)相等,可得:
(1-22)
根据能量守恒定理并结合式(1-22)可知:
(1-23)
由于在一个工作周期内,电容损耗的能量为零,故负载电流等于流过续流二极管D的电流在一个周期内的平均值:
(1-24)
因为
(1-25)
将式(1-24)及(1-25)代入式(1-21)可得输出电压的表达式:
(1-26)
从式(1-26)可知:在已知输入电压的条件下,当转换器工作在不连续导通模式时输出电压不仅与开关管的占空比信息有关,还与电感值以及负载轻重和工作周期长短有关。
由图1.1可知,临界导通模式是指在每个工作周期内,电感电流的平均值刚好等于峰值电流的一半。由于电感电流的平均值即输入电流IIN,故当转换器工作在临界导通模式时,输出电流需要满足以下表达式:
(1-27)
官方 天下粤商:拓展粤商产业资源,网罗广府商家商业信息 *进入频道
官方 网站建设:企业、政府、学校网站建设、开发、运营,3D网页开发(广州13423640808,深圳13922266979,微信同号) *在线咨询
官方 全能网队:让企业内低性价比的网站运营/设计师下岗!网站运营/SEO/SEM/AI优化/品牌拓展/建站 *在线咨询
官方 丰业合作社:广东省级示范社,30多年原产地批发供应荔枝、圣女果、番石榴、火龙果等 #13922255007 *在线咨询 *填写收购意向
赞 Like